혁신과 도전 정신으로 미래를 위해 끊임없이 노력하는 신기 주식회사입니다.


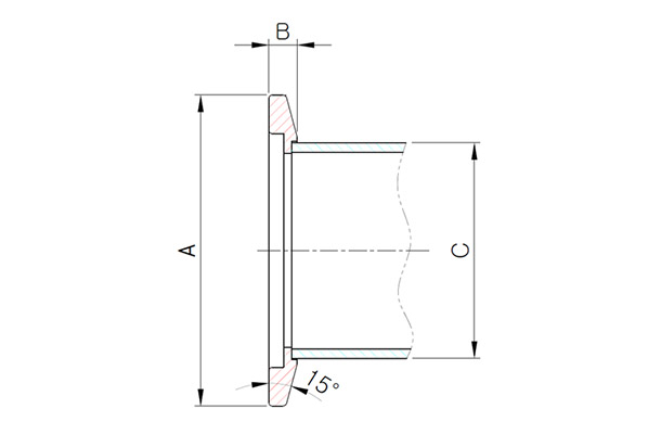
| 외경 | 두께 | 파이프경 | |
|---|---|---|---|
| A | B | C | |
| 16A | 30 | 20 | 19.1 |
| 25A | 40 | 20 | 25.4 |
| 40A | 55 | 20 | 38.1 |
| 50A | 75 | 20 | 50.8 |


| 외경 | 두께 | 파이프경 | |
|---|---|---|---|
| A | B | C | |
| 16A | 30 | 5 | 19.1 |
| 25A | 40 | 5 | 25.4 |
| 40A | 55 | 5 | 38.1 |
| 50A | 75 | 5 | 50.8 |


| 외경 | 두께 | 파이프경 | |
|---|---|---|---|
| A | B | C | |
| 2-1/2" | 95 | 12 | 63.5 |
| 3" | 110 | 12 | 76.3 |
| 4" | 130 | 12 | 101.6 |
| 5" | 155 | 12 | 127 |
| 6" | 180 | 12 | 152.4 |
| 8" | 240 | 12 | 216.3 |
| 10" | 290 | 12 | 267.4 |


| 외경 | 두께 | 파이프경 | |
|---|---|---|---|
| A | B | C | |
| 2-1/2" | 95 | 30 | 63.5 |
| 3" | 110 | 30 | 76.3 |
| 4" | 130 | 30 | 101.6 |
| 5" | 155 | 30 | 127 |
| 6" | 180 | 30 | 152.4 |
| 8" | 240 | 30 | 216.3 |
| 10" | 290 | 30 | 267.4 |



